Beranda
/ Contoh Soal Menghitung Jangka Sorong - Cara Membaca Jangka Sorong Dengan Mudah Dan Contoh Isengnulis / Cara menghitung jangka sorong beserta contoh soal dan gambar.
Contoh Soal Menghitung Jangka Sorong - Cara Membaca Jangka Sorong Dengan Mudah Dan Contoh Isengnulis / Cara menghitung jangka sorong beserta contoh soal dan gambar.
Contoh Soal Menghitung Jangka Sorong - Cara Membaca Jangka Sorong Dengan Mudah Dan Contoh Isengnulis / Cara menghitung jangka sorong beserta contoh soal dan gambar.. Dari penjelasan di atas bisa diketahui bahwa menghitung jangka. Cara menghitung jangka sorong, jawaban soal belajar dari rumah tvri 22 september smp. Dengan memakai jangka sorong kita dapat melakukan pengukuran terhadap suatu benda dengan lebih teliti dan akurat. Suatu baut panjangnya diukur dengan menggunakan jangka sorong dengan skala utama centimeter seperti yang dapat dilihat pada gambar diatas. Sehingga, antara rendi dan jessica tidak ada yang menjawab dengan benar.
Cara menghitung jangka sorong sekarang ini kegiatan yang kita lakukan setiap hari menjadi lebih mudah berkat hadirnya berbagai peralatan hasil perkembangan teknologi yang ada. Materi jangka sorong agar dapat mengetahui cara menghitung dan membaca, contoh soal dan rumus jangka sorong dengan pembahasan lengkap. Dengan keunggulan alat ini direkomendasikan pertama. Contoh soal membaca jangka sorong. Skala yang ditunjukkan dari hasil pengukuran tampak pada gambar.
Contoh Soal Mikrometer Sekrup from rumusrumus.com Jangka sorong adalah alat yang digunakan untuk mengukur suatu benda yang memiliki tingkat ketelitian 0,01 mm. Volume kotak tersebut jika dihitung menurut aturan angka penting adalah. Diameter dalam gelas = 0,8 cm + 0,03 cm = 0,83 cm jawaban yang benar adalah b. Materi jangka sorong agar dapat mengetahui cara menghitung dan membaca, contoh soal dan rumus jangka sorong dengan pembahasan lengkap. Rahang dalam terdiri dari 2 rahang, yaitu rahang geser dan rahang tetap. Jangka sorong adalah sebuah alat ukur yang digunakan untuk mengukur ketebalan atau panjang suatu benda dengan tingkat ketelitian sampai. Semoga dalam keadaan yang baik. Suatu baut panjangnya diukur dengan menggunakan jangka sorong dengan skala utama centimeter seperti yang dapat dilihat pada gambar diatas.
Cara menghitung jangka sorong, jawaban soal belajar dari rumah tvri 22 september smp.
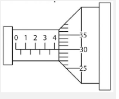
Cara menggunakan jangka sorong manual dan digital, simak contoh soal perhitungan. Sma smp soal dan pembahasan. Tentukanlah hasil pengukurannya dalam centimeter! Berikut kami sajikan kumpulan contoh soal jangka sorong yang bisa anda pelajari. Lengkap dengan contoh soal menghitung jangka sorong. Skala yang ditunjukkan dari hasil pengukuran tampak pada gambar. Materi jangka sorong agar dapat mengetahui cara menghitung dan membaca, contoh soal dan rumus jangka sorong dengan pembahasan lengkap. Sebuah balok diukur ketebalannya dengan jangka sorong. Itulah sejumlah informasi mengenai cara menghitung jangka sorong. Cara menghitung jangka sorong sekarang ini kegiatan yang kita lakukan setiap hari menjadi lebih mudah berkat hadirnya berbagai peralatan hasil perkembangan teknologi yang ada. Jawab skala utama = 10 cm skala nonius = 0.2 mm = 0.02 cm hasil pengukuran = 10 + 0.02 = 10.02 cm. Sehingga, antara rendi dan jessica tidak ada yang menjawab dengan benar. Sedangkan untuk skala vernier jika kita melihat dengan teliti angka yang sejajar adalah angka 8, karena nilai tiap garis adalah 0,1 mm maka 8×0,1 = 0,8.
Jangka sorong memiliki ketelitian sebesar ±0,1 mm atau 0.01 cm. Jangka sorong analog atau manual. Dalam kesempatan yang berbahagia ini penulis akan berbagi informasi mengenai salah satu alat ukur panjang yaitu jangka. Sebuah balok diukur ketebalannya dengan jangka sorong. Tentukanlah hasil pengukurannya dalam centimeter!
Bagaimana Cara Membaca Jangka Sorong Quora from qph.fs.quoracdn.net Contoh soal menghitung jangka sorong Jangka sorong adalah alat yang digunakan untuk mengukur suatu benda yang memiliki tingkat ketelitian 0,01 mm. Materi jangka sorong agar dapat mengetahui cara menghitung dan membaca, contoh soal dan rumus jangka sorong dengan pembahasan lengkap. Karena jika hanya sekedar materi saja tentu belum lengkap jika tidak adanya praktek soal. Sedangkan untuk gambar dibawah ini skala yang paling pas atau berdekatan antara skala nonius dengan skala utama sudah ditunjukkan dengan cara menghitung jangka sorong jika skala noniusnya berimpit dengan skala utama. Jangka sorong adalah alat yang dapat mengukur panjang dan ketebalan suatu benda dangan tingkat akurasi dan presisi yang sangat baik yaitu ±0.05 mm.jangka sorong biasanya digunakan oleh para engineer. Lengkap dengan contoh soal menghitung jangka sorong. Jangka sorong biasanya digunakan oleh para engineer untuk mengukur diameter benda atau lubang pipa.
Terdapat beberapa benda yang memerlukan alat khusus untuk mengukurnya, misalnya, ketika mengukur diameter bola, kelereng, cincin dan diameter luar maupun dalam tabung.
Di bawah ini sudah kami kumpulkan beberapa latihan soal jangka sorong yang dilengkapi dengan jawaban dan pembahasannya. Contoh soal jangka sorong nomor 2. Itulah sejumlah informasi mengenai cara menghitung jangka sorong. Contoh soal membaca jangka sorong. Volume kotak tersebut jika dihitung menurut aturan angka penting adalah. Silahkan simak penjelasan lengkapnya dibawah ini gaes! Cara membaca di atas sangat gampang, yakni skala. Cara menggunakan jangka sorong manual dan digital, simak contoh soal perhitungan. Rahang dalam terdiri dari 2 rahang, yaitu rahang geser dan rahang tetap. Tentukanlah hasil pengukurannya dalam centimeter! Cara menghitung jangka sorong sekarang ini kegiatan yang kita lakukan setiap hari menjadi lebih mudah berkat hadirnya berbagai peralatan hasil perkembangan teknologi yang ada. Berikut ini contoh soal mengenai alat ukur jangka sorong agar penjelasannya lebih bisa dipahami. Cara menghitung jangka sorong beserta contoh soal dan gambar.
Contoh soal jangka sorong nomor 2. Sebuah balok diukur ketebalannya dengan jangka sorong. Jangka sorong analog atau manual. Contoh soal jangka sorong dan pembahasan 2 dan 3. Sehingga jika kita melakukan perhitungan.
2020 Cara Membaca Jangka Sorong Dengan Benar Update Ilmusiana from 1.bp.blogspot.com Sedangkan untuk gambar dibawah ini skala yang paling pas atau berdekatan antara skala nonius dengan skala utama sudah ditunjukkan dengan cara menghitung jangka sorong jika skala noniusnya berimpit dengan skala utama. Volume kotak tersebut jika dihitung menurut aturan angka penting adalah. Hasil pengukuran ditunjukkan oleh gambar di bawah ini. Sebuah balok diukur ketebalannya dengan jangka sorong. Cara menghitung jangka sorong sekarang ini kegiatan yang kita lakukan setiap hari menjadi lebih mudah berkat hadirnya berbagai peralatan hasil perkembangan teknologi yang ada. Jangka sorong biasanya digunakan oleh para engineer untuk mengukur diameter benda atau lubang pipa. Topik bahasan besaran dan satuan sebuah mainan berbentuk kotak diukur menggunakan jangka sorong. Skala yang ditunjukkan dari hasil pengukuran tampak seperti gambar.
Jawab skala utama = 10 cm skala nonius = 0.2 mm = 0.02 cm hasil pengukuran = 10 + 0.02 = 10.02 cm.
Dalam kesempatan yang berbahagia ini penulis akan berbagi informasi mengenai salah satu alat ukur panjang yaitu jangka. Volume kotak tersebut jika dihitung menurut aturan angka penting adalah. Contoh soal jangka sorong contoh soal 1. Dengan keunggulan alat ini direkomendasikan pertama. Skala yang ditunjukkan dari hasil pengukuran tampak pada gambar. Jawab skala utama = 10 cm skala nonius = 0.2 mm = 0.02 cm hasil pengukuran = 10 + 0.02 = 10.02 cm. Sedangkan untuk skala vernier jika kita melihat dengan teliti angka yang sejajar adalah angka 8, karena nilai tiap garis adalah 0,1 mm maka 8×0,1 = 0,8. Karena jika hanya sekedar materi saja tentu belum lengkap jika tidak adanya praktek soal. Jangka sorong adalah salah satu alat ukur dari besaran pokok panjang. Jangka sorong adalah sebuah alat ukur yang digunakan untuk mengukur ketebalan atau panjang suatu benda dengan tingkat ketelitian sampai. Jangka sorong merupakan alat yang digunakan untuk mengukur panjang, ketebalan dan juga diameter dari sebuah bendadengan tingkat ketelitianmencapai 0,1 mm. Jangka sorong memiliki ketelitian sebesar ±0,1 mm atau 0.01 cm. Contoh soal jangka sorong dan pembahasan 2 dan 3.
Berbagi
Posting Komentar
untuk "Contoh Soal Menghitung Jangka Sorong - Cara Membaca Jangka Sorong Dengan Mudah Dan Contoh Isengnulis / Cara menghitung jangka sorong beserta contoh soal dan gambar."
Posting Komentar untuk "Contoh Soal Menghitung Jangka Sorong - Cara Membaca Jangka Sorong Dengan Mudah Dan Contoh Isengnulis / Cara menghitung jangka sorong beserta contoh soal dan gambar."